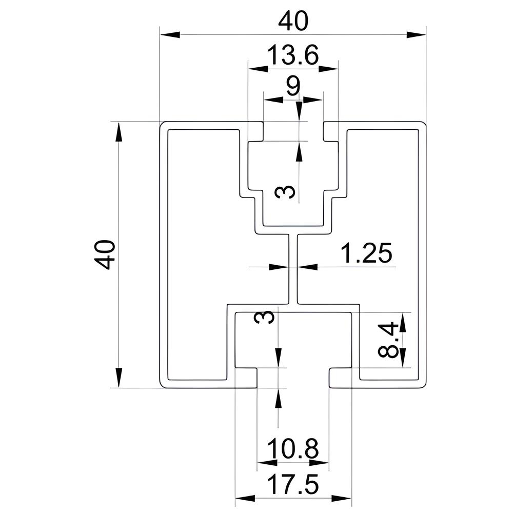
This 0.9m black aluminium mounting rail is built around a strong 40x40mm square profile, giving it excellent rigidity despite its compact size. The anodised black finish provides a clean, discreet appearance and adds surface durability, making it ideal for installations where the rail needs to blend neatly with darker rooftops or modern array designs. Lightweight yet robust, it's easy to handle during fitting while maintaining long term structural stability.
The clip in channel allows compatible nuts, bolts and brackets to slide and lock into place quickly, making it well suited to smaller arrays, edge sections or areas where short rail lengths are easier to position. The 40x40mm profile ensures a stable mounting base, helping maintain alignment and support across the system.
Typical Uses
- Solar PV module mounting on compact or edge sections
- Installations requiring a rigid 40x40mm support profile
- Residential rooftops where a black finish provides a cleaner aesthetic
- Clip in hardware systems for fast, efficient assembly
Key Benefits
- 40x40mm square profile for strong structural rigidity
- Black anodised aluminium for a durable, discreet finish
- Clip in channel for quick, tool friendly installation
- 0.9m length ideal for small arrays and tight spaces
- Corrosion resistant for long term outdoor use
Specifications
- Length: 0.9m
- Profile: 40x40mm
- Material: Aluminium
- Finish: Black Anodised
- Type: Clip In Mounting Rail
- SKU: SO100-CL09-BL-AL
| MATERIAL |
| MATERIAL |
ALUMINIUM
|